SCHEMA

Remonter

 

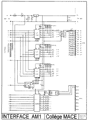
INTERFACE ENTRE P.C. ET PARTIE OPERATIVE

SCHÉMA DE LA CARTE INTERFACE AM1

 

intsch1b.GIF (70001 octets)

Fichier au format PDF , lu par Acrobat reader, c'est ici 

Fichier au format SKD , lu par Autosketch, c'est ici

Remonter ] [ SCHEMA ] NOMENCLATURE ] IMPLANTATION ] TYPON ] PROTECTION ]

Accueil ] PLAN DU SITE ] VOL LIBRE ] CONTENTIEUX ] TECHNOLOGIE ] LE LOMONT ]